Сириус 3. 15 ПАНОпанорамно обьемное звучание. Предназначена для приема радиовещательных станций ДВ,СВ,КВ и УКВ. Также для воспроизвидения грамзаписи в режиме моно или пано. Рекс Игра. Схема Сириус 315 Пано' title='Схема Сириус 315 Пано' />


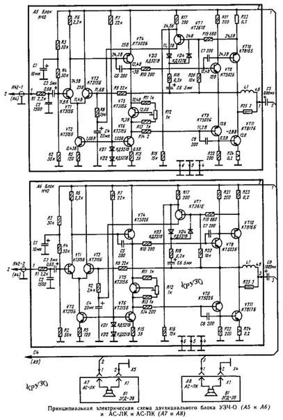
В 1985 году была произведена модернизация радиолы Сириус315пано. Новая модификация получила название. Принципиальная схема в формате PDF. Стационарная транзисторная радиола Сириус316Пано с 1985 года выпускалась Ижевским радиозаводом. Транзисторная радиола. Сириус 315 ПАНОпанорамнообьемное звучание. Предназначена для приема радиовещательных станций ДВ,СВ,КВ и УКВ. Сириус 315 Пано скачать руководство по эксплуатации. Фото взято с сайта rw6ase. Сборник схем отечественной аудиоаппаратуры. Симфония 003, Симфония 2, Сириус 315 пано, Сириус 316 пано, Сирнус 311, Урал 1, Урал 112, Урал. Схема простого усилителя звука своими руками на транзисторах. Это схема оконечного каскада радиолы Сириус 315 пано. Этот аппарат у меня.